永利最大(官方)网站

products

产品中心

产品类别

Category

机械密封

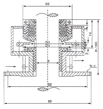
  212型机械密封参数:

  212型四氟波纹管釜用机械密封为单端面小弹簧外流式聚四氟乙烯波纹管机构,主要用适于搪瓷搅拌密封。

  适用范围:

  温度:-10℃-120℃

  压力:<0-0.5Mpa

  转速:<500rpm

扫一扫

浏览我司移动平台

江苏鑫科天建化工设备制造有限公司 版权所有(C)2024 网络支持 著作权声明 网站地图

利记最火十大网(官方)网站/网页版登录入口/手机版登录入口-最新版(已更新) 利记正规权威网(官方)网站/网页版登录入口/手机版登录入口-最新版(已更新) 朗驰娱乐真人滚球官方(官方)网站/网页版登录入口/手机版登录入口-最新版(已更新) 真人十大PM娱乐城网(官方)网站/网页版登录入口/手机版登录入口-最新版(已更新) 线上真钱半岛(官方)网站/网页版登录入口/手机版登录入口-最新版(已更新) 靠谱十大盛凯国际网(官方)网站/网页版登录入口/手机版登录入口-最新版(已更新) 盛凯国际十大真人导航(官方)网站/网页版登录入口/手机版登录入口-最新版(已更新) 信誉盛凯国际足球官方(官方)网站/网页版登录入口/手机版登录入口-最新版(已更新)